产品分类
 业务联系
 人才招聘
 客服电话
 在线联系
   首页 - 产品展厅 - 产品介绍  
  产品名称: 蜗轮对夹衬胶蝶阀
  产品型号: D371J
  蜗轮对夹衬胶蝶阀价格
  咨询电话:021-34141228 黄 工
 相关产品
 法兰衬胶蝶阀
 蜗轮对夹衬胶蝶阀
 半衬胶对夹式蝶阀
 对夹衬胶蝶阀
 

 

D371X(半衬)、D371J、D371J/Fs(全衬)蜗轮对衬胶蝶阀

设计与制造:GB12238
结构长度:GB12238
法兰连接尺寸:GB4216

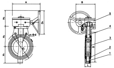
尺寸图
部件列表:1、阀体 2、阀座 3、蝶板 4、阀杆 5、蜗轮装置
一、用途

密封圈材料代号

适用温度

适用介质

NR

≤85℃

水、空气、酸碱类

CR

≤85℃

水、煤气、酸碱类

NBR

≤100℃

水、油品

EPDM

≤120℃

水、蒸汽、一般酸碱类

FKM

≤150℃

水、蒸汽、强酸碱类

二、材料

阀体

铸铁、球墨铸铁、碳钢、不锈钢

蝶板

铸铁、球墨铸铁、碳钢、不锈钢、碳钢完全包覆橡胶或氟塑料

阀杆

碳钢镀镍磷、不锈钢

阀座密封圈

天然胶NR、氯丁胶CR、丁腈胶NBR、三元乙丙胶EPDM、氟橡胶FKM

蜗轮装置

组合件

压力等级:PN(MPa) 1.0 1.6
三、测试
衬里层:电火花检测
试验与检验按GB/T13927标准
公称压力:PN(MPa)
阀体:PN×1.5
密封:PN×1.1
四、主要尺寸参数

公称通径DN

公称压力MPa

工作压力MPa

L
mm

D
mm

D1
mm

n-Φd
mm

H1
mm

H2
mm

Do
mm

H3
mm

A
mm

B
mm

质量
Kg/kilos

40

1.0

1.0

33

150

110

4-18

55

100

150

62

164

125

6

50

43

165

125

4-18

64

120

150

62

164

125

7

65

46

185

145

4-18

80

120

208

62

164

125

10

80

46

200

160

8-18

112

130

260

62

164

125

11

100

52

220

180

8-18

90

140

275

62

164

125

12

125

56

250

210

8-18

112

160

350

106

289

200

18

150

56

285

240

8-22

135

175

350

106

289

200

29

200

60

340

295

8-22

160

210

240

106

289

200

34.5

250

0.6

68

395

350

12-22

206

235

240

106

289

200

44

300

78

445

400

12-22

232

273

320

112

370

253

64.5

350

78

505

450

16-22

263

310

320

112

370

253

75.5

400

102

565

515

16-26

295

340

400

270

562

280

156

450

114

615

565

20-26

327

370

400

270

562

280

171.5

500

127

670

620

20-26

358

399

400

270

562

280

206.5

550

0.4

140

730

675

20-30

384

430

400

270

562

280

215

600

154

780

725

20-30

474

460

500

270

562

280

283

700

165

895

840

24-30

486

510

500

125

503

443

426

800

190

1015

950

24-33

591

672

500

200

513

531

550

900

203

1115

1050

28-33

 

500

200

513

531

1070

1000

216

1230

1160

28-36

721

800

550

273

713

815

1296

友情连接: 阀门 | 球阀 | 百度 | 中国控制阀网 | 进口阀门 |

版权所有 上海科谋阀门有限公司 地址:上海市金山区枫泾工业区电话:021-34141228 传真:021-34141228
邮箱:kemo88@163.com 备案编号:沪ICP备11021114号